bg
BG EN




Бранд:
АртикулНаличностЦена
0AMS RJM-091 заменими

спирачен диск

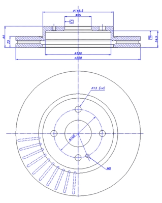
брой на дупките: 5вид на спирачния диск: вентилиранвисочина: 44mmвъншен диаметър: 258mmдебелина на спирачния диск: 23mmдебелина от: 21mmДиаметър на кръговата стъпка Ø: 100mmстрана на монтаж: предна остегло: 5,72kgцентриращ диаметър: 55mm
A.B.S. 17938 заменими

спирачен диск

страна на монтаж: предна осджанта: 4-дупкивид на спирачния диск: вентилиранвисочина: 44mmвъншен диаметър: 258mmдебелина на спирачния диск: 23mmГлавина Ø: 146mmДиаметър на кръговата стъпка Ø: 100mmмин. дебелина: 21mmповърхност: с покритиетегло: 5,74kgцентриращ диаметър: 55mm
A.B.S. 18540 заменими

спирачен диск

версия за държава: 5страна на монтаж: предна осджанта: 4-дупкивид на спирачния диск: вентилиранвисочина: 41mmвъншен диаметър: 239mmдебелина на спирачния диск: 20mmГлавина Ø: 146mmДиаметър на кръговата стъпка Ø: 100mmмин. дебелина: 18mmповърхност: с покритиетегло: 4,34kgцентриращ диаметър: 55mm
A.Z. Meisterteile AZMT-44-024-2379 заменими

спирачен диск

обърни внимание на техническите данни: обърни внимание на техническите даннистрана на монтаж: предна осброй на дупките: 4вид на спирачния диск: с вътрешно вентилираневисочина: 41mmвъншен диаметър: 238,8mmдебелина на спирачния диск: 20mmГлавина на колелото Ø: 55mmДиаметър на кръговата стъпка Ø: 100mmмин. дебелина: 18mm
ABAKUS 231-03-063 заменими

спирачен диск

версия за държава: 5страна на монтаж: предна осброй на дупките: 4вид на спирачния диск: вентилиранвисочина: 41mmвъншен диаметър: 239mmдебелина на спирачния диск: 20mmдоп. артикул/доп. инфо. 2: без колесен лагердоп. артикул/доп. инфо. 2: без сензорен пръстен за ABSконтролен знак за преглед: ECE R90необходими бройки: 2центриращ диаметър: 55mm
ABAKUS 231-03-063-2 заменими

спирачен диск

версия за държава: 5страна на монтаж: предна осброй на дупките: 4вид на спирачния диск: вентилиранвисочина: 41mmвъншен диаметър: 239mmдебелина на спирачния диск: 20mmдоп. артикул/доп. инфо. 2: без колесен лагердоп. артикул/доп. инфо. 2: без сензорен пръстен за ABSконтролен знак за преглед: ECE R90необходими бройки: 2центриращ диаметър: 55mm
ABAKUS 231-03-107 заменими

спирачен диск

страна на монтаж: предна осброй на дупките: 4вид на спирачния диск: вентилиранвисочина: 43,9mmвъншен диаметър: 258mmдебелина на спирачния диск: 23mmконтролен знак за преглед: ECE R90Диаметър на кръговата стъпка Ø: 100mmнеобходими бройки: 2центриращ диаметър: 55mm
ABAKUS 231-03-107-2 заменими

спирачен диск

страна на монтаж: предна осброй на дупките: 4вид на спирачния диск: вентилиранвисочина: 43,9mmвъншен диаметър: 258mmдебелина на спирачния диск: 23mmконтролен знак за преглед: ECE R90Диаметър на кръговата стъпка Ø: 100mmнеобходими бройки: 2центриращ диаметър: 55mm
ABE C33089ABE заменими

спирачен диск

брой на дупките: 4вид на спирачния диск: с вътрешно вентилираневисочина: 44mmвъншен диаметър: 258mmдебелина на спирачния диск: 23mmГлавина на колелото Ø: 55mmмин. дебелина: 21mmпреработка: високовъглероднастрана на монтаж: предна осцентриращ диаметър: 55mm
ABE C33096ABE заменими

спирачен диск

година на производство до: 201410брой на дупките: 4вид на спирачния диск: вентилиранвисочина: 44mmвъншен диаметър: 257,9mmдебелина на спирачния диск: 23mmДиаметър на кръговата стъпка Ø: 100mmмин. дебелина: 21mmповърхност: омасленпреработка: високовъглероднастрана на монтаж: предна осудовлетворява нормите на ЕИК: ECE-R90центриращ диаметър: 55mm
ABE C33096ABE-P заменими

спирачен диск

година на производство до: 201410брой на дупките: 4вид на спирачния диск: вентилиранвисочина: 44mmвъншен диаметър: 257,9mmдебелина на спирачния диск: 23mmДиаметър на кръговата стъпка Ø: 100mmмин. дебелина: 21mmповърхност: омасленпреработка: високовъглероднастрана на монтаж: на предната ос отдяснострана на монтаж: на предната ос отлявострана на монтаж: предна осудовлетворява нормите на ЕИК: ECE-R90центриращ диаметър: 55mm
ABTEX BD1505V заменими

спирачен диск

страна на монтаж: предна осброй на дупките за закрепване: 4вид на спирачния диск: вентилиранвисочина: 44mmвъншен диаметър: 258mmдебелина на спирачния диск: 23mmОтвор Ø: 13mmконструкция на спирачките: дискови спирачкиДиаметър на кръговата стъпка Ø: 100mmмин. дебелина: 21mmтегло: 6,1kgцентриращ диаметър: 55mm
AKRON-MAL? 1110362 заменими

спирачен диск

за OE-номер: DF7133251Aза модела на серията: DEA4/DHA3страна на монтаж: предна осброй на дупките: 4вид на спирачния диск: с вътрешно вентилираневисочина: 44mmвъншен диаметър: 258mmдебелина на спирачния диск: 23mmмин. дебелина: 21mmповърхност: с покритиецентриращ диаметър: 55mm
ALLIED NIPPON AND6196 заменими

спирачен диск

страна на монтаж: предна осброй на дупките: 1брой на дупките: 4вид на спирачния диск: с вътрешно вентилираневисочина: 44mmвъншен диаметър: 258mmдебелина на спирачния диск: 23mmДиаметър на кръговата стъпка Ø: 100mmмин. дебелина: 21mmповърхност: с покритиецентриращ диаметър: 55mm
ALLIED NIPPON AND6781 заменими

спирачен диск

версия за държава: 5страна на монтаж: предна осброй на дупките: 1брой на дупките: 4вид на спирачния диск: с вътрешно вентилираневисочина: 41mmвъншен диаметър: 238mmдебелина на спирачния диск: 20mmДиаметър на кръговата стъпка Ø: 100mmмин. дебелина: 18mmповърхност: с покритиецентриращ диаметър: 55mm
AP 25183 E заменими

спирачен диск

страна на монтаж: предна осброй на дупките: 4вид на спирачния диск: с вътрешно вентилираневисочина: 44mmвъншен диаметър: 258mmсила на затягане (въртящ момент): 103Нютонметърдебелина на спирачния диск: 23mmмин. дебелина: 21mmцентриращ диаметър: 55mm
AP 25183 V заменими

спирачен диск

страна на монтаж: предна осброй на дупките: 4вид на спирачния диск: с вътрешно вентилираневисочина: 44mmвъншен диаметър: 258mmсила на затягане (въртящ момент): 103Нютонметърдебелина на спирачния диск: 23mmмин. дебелина: 21mmповърхност: с покритиецентриращ диаметър: 55mm
AP 25183 X заменими

спирачен диск

страна на монтаж: предна осброй на дупките: 4вид на спирачния диск: перфориран/с вътрешно вентилираневисочина: 44mmвъншен диаметър: 258mmсила на затягане (въртящ момент): 103Нютонметърдебелина на спирачния диск: 23mmмин. дебелина: 21,5mmповърхност: с покритиецентриращ диаметър: 55mm
ASHIKA 60-03-300C заменими

спирачен диск

страна на производство на автомобила: 5брой на дупките: 4вид на спирачния диск: вентилиранвисочина: 41mmвъншен диаметър: 239mmдебелина на спирачния диск: 20mmДиаметър на кръговата стъпка Ø: 55mmмин. дебелина: 18mmповърхност: боядисанстрана на монтаж: предна ос
ASHIKA 60-03-325C заменими

спирачен диск

брой на дупките: 4вид на спирачния диск: вентилиранвисочина: 45mmвъншен диаметър: 258mmсила на затягане (въртящ момент): 103Нютонметърдебелина на спирачния диск: 23mmконтролен знак за преглед: ECE R90 APPROVEDДиаметър на кръговата стъпка Ø: 55mmмин. дебелина: 21mmповърхност: боядисанстрана на монтаж: предна ос
ASHUKI by Palidium M606-39 заменими

спирачен диск

страна на монтаж: предна осброй на дупките: 4вид на спирачния диск: вентилиранвисочина: 44mmвъншен диаметър: 258mmвътрешен диаметър: 136mmдебелина на спирачния диск: 23mmØ: 146mmДиаметър на кръговата стъпка Ø: 100mmмин. дебелина: 21mmцентриращ диаметър: 55mm
ATE 24.0123-0112.1 заменими

спирачен диск

страна на монтаж: предна осброй на дупките: 4вид на спирачния диск: вентилиранвисочина: 43,9mmвъншен диаметър: 258,0mmвътрешен диаметър: 135,8mmдебелина на спирачния диск: 23,0mmОтвор Ø: 13,0mmконтролен знак за преглед: E1 90R-02C0115/0377Диаметър на кръговата стъпка Ø: 100,0mmмин. дебелина: 21,0mmповърхност: с покритиепреработка: високовъглероднацентриращ диаметър: 55,0mm
BENDIX Braking BDS1327 заменими

спирачен диск

страна на монтаж: предна осброй/разположение на дупките: 04/05вид на спирачния диск: с вътрешно вентилираневисочина: 44mmвисочина на опаковка: 6,5смвъншен диаметър: 258mmвътрешен диаметър: 135,4mmдебелина на спирачния диск: 23mmØ отверстие за болт на джанта: 13mmдоп. артикул/доп. инфо. 2: без болтове за закрепване на колелатадоп. артикул/доп. инфо. 2: без колесен лагердоп. артикул/доп. инфо. 2: без колесна главинаДължина на опаковка: 29,3смДиаметър на кръговата стъпка Ø: 100mmмин. дебелина: 21mmповърхност: с покритиетегло: 5,8kgцентриращ диаметър: 55mmопаковачна широчина: 29,3см
BLUE PRINT ADM543100 заменими

спирачен диск

джанта: 4-дупкиброй на дупките за закрепване: 1вид на спирачния диск: с вътрешно вентилираневъншен диаметър: 258mmдебелина: 44mmдебелина на спирачния диск: 23mmДиаметър на кръговата стъпка Ø: 100mmмин. дебелина: 21mmповърхност: с покритиестрана на монтаж: предна остегло: 5,6kgцентриращ диаметър: 55mm
BÖLK BOL-I010320 заменими

спирачен диск

страна на монтаж: предна осброй на дупките: 4вид на спирачния диск: вентилиранвисочина: 44mmвъншен диаметър: 258mmдебелина на спирачния диск: 23mmДиаметър на кръговата стъпка Ø: 100mmмин. дебелина: 21mmмярка на резбата: 13.0центриращ диаметър: 55mm
BORG & BECK BBD4700 заменими

спирачен диск

страна на монтаж: предна осброй на дупките: 4брой на дупките за закрепване: 1вид на спирачния диск: вентилиранвисочина: 44mmвъншен диаметър: 258mmдебелина на спирачния диск: 23mmединица-мярка за количество: комплектмин. дебелина: 21mmповърхност: с покритиецентриращ диаметър: 55mm
BORG & BECK BBD6350 заменими

спирачен диск

страна на монтаж: предна осстрана на производство на автомобила: 5брой на дупките: 4вид на спирачния диск: вентилиранвисочина: 41mmвъншен диаметър: 239mmдебелина на спирачния диск: 20mmцентриращ диаметър: 55mm
BOSCH 0 986 479 541 заменими

спирачен диск

TECDOC-номер на двигател: 39514година на производство до: 201410страна на монтаж: предна осброй на дупките: 4вид на спирачния диск: вентилиранвисочина: 44mmвъншен диаметър: 257,9mmдебелина на спирачния диск: 23mmОтвор Ø до: 13mmДиаметър на кръговата стъпка Ø: 100mmмин. дебелина: 21mmповърхност: омасленпреработка: високовъглероднаудовлетворява нормите на ЕИК: ECE-R90центриращ диаметър: 55mm
BRECO BS 8793 заменими

спирачен диск

страна на монтаж: предна осброй на дупките: 4вид на спирачния диск: с вътрешно вентилираневисочина: 44mmвъншен диаметър: 258mmсила на затягане (въртящ момент): 103Нютонметърдебелина на спирачния диск: 23mmмин. дебелина: 21mmцентриращ диаметър: 55mm
BRECO BV 8793 заменими

спирачен диск

страна на монтаж: предна осброй на дупките: 4вид на спирачния диск: с вътрешно вентилираневисочина: 44mmвъншен диаметър: 258mmсила на затягане (въртящ момент): 103Нютонметърдебелина на спирачния диск: 23mmмин. дебелина: 21mmповърхност: с покритиецентриращ диаметър: 55mm
BREMBO 09.A968.11 заменими

спирачен диск

страна на монтаж: предна осброй на дупките: 4вид на спирачния диск: с вътрешно вентилираневисочина: 44mmвъншен диаметър: 258mmсила на затягане (въртящ момент): 103Нютонметърдебелина на спирачния диск: 23mmмин. дебелина: 21mmповърхност: с покритиецентриращ диаметър: 55mm
BREMBO 09.A968.14 заменими

спирачен диск

страна на монтаж: предна осброй на дупките: 4вид на спирачния диск: с вътрешно вентилираневисочина: 44mmвъншен диаметър: 258mmсила на затягане (въртящ момент): 103Нютонметърдебелина на спирачния диск: 23mmмин. дебелина: 21mmцентриращ диаметър: 55mm
BREMBO 09.A968.1X заменими

спирачен диск

страна на монтаж: предна осброй на дупките: 4вид на спирачния диск: перфориран/с вътрешно вентилираневисочина: 44mmвъншен диаметър: 258mmсила на затягане (въртящ момент): 103Нютонметърдебелина на спирачния диск: 23mmмин. дебелина: 21,5mmповърхност: с покритиецентриращ диаметър: 55mm
BREMSI CD7738V заменими

спирачен диск

брой на дупките: 4вид на спирачния диск: вентилиранвисочина: 45mmвъншен диаметър: 258mmсила на затягане (въртящ момент): 9Нютонметърдебелина на спирачния диск: 23mmдиаметър на пинове: 148,3mmмин. дебелина: 21mmповърхност: боядисанстрана на монтаж: предна осцвят: черенцентриращ диаметър: 55mm
Burig B010223 заменими

спирачен диск

страна на монтаж: предна осброй на дупките: 4вид на спирачния диск: вентилиранвисочина: 44mmвъншен диаметър: 258mmдебелина на спирачния диск: 23mmДиаметър на кръговата стъпка Ø: 100mmцентриращ диаметър: 55mm
CAR 142.1377 заменими

спирачен диск

страна на монтаж: предна осброй на дупките: 4вид на спирачния диск: вентилиранвисочина: 44,5mmвъншен диаметър: 258mmдебелина на спирачния диск: 23mmза номер артикул: 1421377контролен знак за преглед: ECE R90 APPROVEDмин. дебелина: 21mmтегло: 5,74kgцентриращ диаметър: 55mm
CAR HPD 1377 заменими

спирачен диск

страна на монтаж: предна осброй на дупките: 4вид на спирачния диск: вентилиранвисочина: 44,5mmвъншен диаметър: 258mmдебелина на спирачния диск: 23mmза номер артикул: HPD1377мин. дебелина: 21mmтегло: 5,57kgцентриращ диаметър: 55mm
CHAMPION 562564CH заменими

спирачен диск

номер на артикул в чифта: 573745CHстрана на монтаж: предна осброй на дупките: 4вид на спирачния диск: вентилиранвисочина: 45mmвисочина на опаковка: 10,5смвъншен диаметър: 258mmсила на затягане (въртящ момент): 103Нютонметърдебелина на спирачния диск: 23mmдоп. артикул/доп. инфо. 2: без винтовеДължина на опаковка: 26,5смединица-мярка за количество: комплектДиаметър на кръговата стъпка Ø: 100mmмин. дебелина: 21mmтегло: 11,76kgТип опаковка: кутияцентриращ диаметър: 55mmопаковачна широчина: 26,5см
CIDAK CBD2848 заменими

спирачен диск

брой на дупките: 4вид на спирачния диск: вентилиранвъншен диаметър: 238mmдебелина на спирачния диск: 18mmстрана на монтаж: предна ос
CIFAM 800-1821C заменими

спирачен диск

година на производство до: 201412страна на монтаж: предна осброй на дупките: 4вид на спирачния диск: вентилиранвисочина: 41,0mmвъншен диаметър: 238,8mmдебелина на спирачния диск: 20,0mmконтролен знак за преглед: ECE-R90повърхност: боядисанцентриращ диаметър: 55,0mm
CIFAM 800-983 заменими

спирачен диск

страна на монтаж: предна осброй на дупките: 4вид на спирачния диск: вентилиранвисочина: 45,0mmвъншен диаметър: 258,0mmдебелина на спирачния диск: 23,0mmконтролен знак за преглед: ECE-R90центриращ диаметър: 55,0mm
COMLINE ADC0457V заменими

спирачен диск

страна на монтаж: предна осброй на дупките: 1брой на дупките: 4вид на спирачния диск: с вътрешно вентилираневисочина: 44mmвъншен диаметър: 258mmдебелина на спирачния диск: 23mmДиаметър на кръговата стъпка Ø: 100mmмин. дебелина: 21mmповърхност: с покритиецентриращ диаметър: 55mm
COMLINE ADC0472V заменими

спирачен диск

версия за държава: 5страна на монтаж: предна осброй на дупките: 1брой на дупките: 4вид на спирачния диск: с вътрешно вентилираневисочина: 41mmвъншен диаметър: 238mmдебелина на спирачния диск: 20mmДиаметър на кръговата стъпка Ø: 100mmмин. дебелина: 18mmповърхност: с покритиецентриращ диаметър: 55mm
DACO Germany 602203 заменими

спирачен диск

страна на монтаж: предна осброй на дупките: 4вид на спирачния диск: вентилиранвисочина: 44mmвъншен диаметър: 258mmдебелина на спирачния диск: 23mmмин. дебелина: 21mmмярка на резбата: 13центриращ диаметър: 55mm
DANAHER DR12949 заменими

спирачен диск

брой на дупките: 4вид на спирачния диск: вентилиранвисочина: 41mmвъншен диаметър: 239mmдебелина на спирачния диск: 20mmстрана на монтаж: отпредцентриращ диаметър: 55mm
DANAHER DR12990 заменими

спирачен диск

брой на дупките: 4вид на спирачния диск: вентилиранвисочина: 43,9mmвъншен диаметър: 258mmдебелина на спирачния диск: 22mmстрана на монтаж: отпредцентриращ диаметър: 55mm
DANAHER DR13249 заменими

спирачен диск

брой на дупките: 4вид на спирачния диск: вентилиранвисочина: 44mmвъншен диаметър: 258mmдебелина на спирачния диск: 23mmстрана на монтаж: отпредцентриращ диаметър: 55mm
DAVID VASCO T4966 заменими

спирачен диск

брой на дупките: 4вид на спирачния диск: вентилиранвисочина: 44mmвъншен диаметър: 258mmдебелина на спирачния диск: 23mmДиаметър на кръговата стъпка Ø: 100mmстрана на монтаж: предна остегло: 5,72kgцентриращ диаметър: 55mm
DELPHI BG4254 заменими

спирачен диск

страна на монтаж: предна осброй на дупките: 4вид на спирачния диск: вентилиранвисочина: 44mmвъншен диаметър: 258mmдебелина на спирачния диск: 23mmконтролен знак за преглед: E1 90R-02C0373/0056мин. дебелина: 21mmповърхност: омасленцентриращ диаметър: 55mm
DELPHI BG4254C заменими

спирачен диск

страна на монтаж: предна осброй на дупките: 4вид на спирачния диск: вентилиранвисочина: 44mmвъншен диаметър: 258mmдебелина на спирачния диск: 23mmконтролен знак за преглед: E1 90R-02C0277/1786мин. дебелина: 21,4mmповърхност: с покритиецентриращ диаметър: 55mm
DELPHI BG5145C заменими

спирачен диск

страна на монтаж: предна осброй на дупките: 4вид на спирачния диск: вентилиранвисочина: 41mmвъншен диаметър: 239mmдебелина на спирачния диск: 20mmконтролен знак за преглед: E4 90R-02C0703/2623мин. дебелина: 18mmповърхност: с покритиецентриращ диаметър: 55mm
DENCKERMANN B130677 заменими

спирачен диск

страна на монтаж: предна осброй на дупките: 4вид на спирачния диск: вентилиранвисочина: 43,9mmвъншен диаметър: 258mmвътрешен диаметър: 135,8mmдебелина на спирачния диск: 23mmОтвор Ø: 13,0mmДиаметър на кръговата стъпка Ø: 100mmмин. дебелина: 21,0mmцентриращ диаметър: 55mm
DENCKERMANN B130745 заменими

спирачен диск

година на производство до: 201412страна на монтаж: предна осджанта: 4-дупкивид на спирачния диск: вентилиранвисочина: 41mmвъншен диаметър: 239mmдебелина на спирачния диск: 20mmГлавина Ø: 55mmмин. дебелина: 18mmповърхност: с покритиетегло: 4,34kg
DIAMAX N08642 заменими

спирачен диск

страна на монтаж: предна осброй на дупките: 4вид на спирачния диск: с вътрешно вентилираневисочина: 44,3mmвъншен диаметър: 258mmдебелина на спирачния диск: 23mmмин. дебелина: 21mmцентриращ диаметър: 54,9mm
DJ PARTS BD2120 заменими

спирачен диск

брой на дупките: 4вид на спирачния диск: вентилирандебелина на спирачния диск: 23mmГлавина Ø 1: 55mmДиаметър на кръговата стъпка Ø 1: 100mmстрана на монтаж: предна ос
DON PCD18762 заменими

спирачен диск

страна на монтаж: предна осброй/разположение на дупките: 04/05вид на спирачния диск: с вътрешно вентилираневисочина: 44mmвисочина на опаковка: 11,7смвъншен диаметър: 258mmвътрешен диаметър: 135,4mmдебелина на спирачния диск: 23mmØ отверстие за болт на джанта: 13mmдоп. артикул/доп. инфо. 2: без болтове за закрепване на колелатадоп. артикул/доп. инфо. 2: без колесен лагердоп. артикул/доп. инфо. 2: без колесна главинаДължина на опаковка: 28,3смДиаметър на кръговата стъпка Ø: 100mmмин. дебелина: 21mmповърхност: с частично покритиетегло: 5,8kgцентриращ диаметър: 55mmопаковачна широчина: 28,3см
DR!VE+ DP1010.11.1482 заменими

спирачен диск

джанта: 4-дупкиброй на дупките: 1вид на спирачния диск: вентилиранвисочина: 44mmвъншен диаметър: 258mmдебелина на спирачния диск: 23mmмин. дебелина: 21mmстрана на монтаж: предна осцентриращ диаметър: 55mm
EBC Brakes D1679 заменими

спирачен диск

брой на дупките: 4вид на спирачния диск: вентилиранвисочина: 44mmвъншен диаметър: 258mmдебелина на спирачния диск: 21mmдебелина на спирачния диск: 23mmстрана на монтаж: предна ос
EBC Brakes GD1679 заменими

спирачен диск

брой на дупките: 4вид на спирачния диск: вентилиранвисочина: 44mmвъншен диаметър: 258mmдебелина на спирачния диск: 21mmдебелина на спирачния диск: 23mmстрана на монтаж: предна ос
EBC Brakes USR1679 заменими

спирачен диск

брой на дупките: 4вид на спирачния диск: вентилиранвисочина: 44mmвъншен диаметър: 258mmдебелина на спирачния диск: 21mmдебелина на спирачния диск: 23mmстрана на монтаж: предна ос
EUROBRAKE 5815203267 заменими

спирачен диск

страна на монтаж: предна осджанта: 4-дупкивид на спирачния диск: вентилиранвисочина: 44,3mmвъншен диаметър: 258mmдебелина на спирачния диск: 23mmмин. дебелина: 21,4mmнето тегло: 5,72kgповърхност: омасленцентриращ диаметър: 55mm
EUROBRAKE 5815313267 заменими

спирачен диск

страна на монтаж: предна осджанта: 4-дупкивид на спирачния диск: вентилиранвисочина: 44,3mmвъншен диаметър: 258mmдебелина на спирачния диск: 23mmмин. дебелина: 21,4mmнето тегло: 5,72kgповърхност: с покритиецентриращ диаметър: 55mm
EUROREPAR 1622813380 заменими

спирачен диск

година на производство до: 201411страна на монтаж: предна осброй на дупките: 4вид на спирачния диск: вентилиранвисочина: 44,3mmвъншен диаметър: 258mmдебелина на спирачния диск: 23mmдоп. артикул/доп. инфо. 2: без сензорен пръстен за ABSмин. дебелина: 21mmцентриращ диаметър: 54,9mm
FAI AutoParts FPBD1360 заменими

спирачен диск

страна на монтаж: предна осброй на дупките: 4вид на спирачния диск: вентилиранвисочина: 44mmвъншен диаметър: 258mmдебелина на спирачния диск: 23mmмин. дебелина: 21mmповърхност: с покритиецентриращ диаметър: 55mm
FEBI BILSTEIN 108431 заменими

спирачен диск

джанта: 4-дупкиброй на дупките за закрепване: 1вид на спирачния диск: с вътрешно вентилираневъншен диаметър: 258mmдебелина: 44mmдебелина на спирачния диск: 23mmДиаметър на кръговата стъпка Ø: 100mmмин. дебелина: 21mmповърхност: с покритиестрана на монтаж: предна остегло: 5,6kgцентриращ диаметър: 55mm
FERODO DDF1738C заменими

спирачен диск

страна на монтаж: предна осброй на дупките: 4вид на спирачния диск: вентилиранвисочина: 45mmвисочина на опаковка: 9смвъншен диаметър: 258mmсила на затягане (въртящ момент): 103Нютонметърдебелина на спирачния диск: 23mmдоп. артикул/доп. инфо. 2: без винтовеДължина на опаковка: 26смединица-мярка за количество: комплектмин. дебелина: 21mmповърхност: с покритиетегло: 5,88kgцентриращ диаметър: 55mmопаковачна широчина: 26см
FI.BA FBD228 заменими

спирачен диск

джанта: 4-дупкиброй на дупките за закрепване: 1вид на спирачния диск: с вътрешно вентилираневъншен диаметър: 258mmдебелина: 44mmдебелина на спирачния диск: 23mmДиаметър на кръговата стъпка Ø: 100mmмин. дебелина: 21mmповърхност: с покритиестрана на монтаж: предна остегло: 5,6kgцентриращ диаметър: 55mm
FI.BA FBD358 заменими

спирачен диск

брой на дупките: 4вид на спирачния диск: вентилиранвисочина: 41mmвъншен диаметър: 239mmдебелина на спирачния диск: 20mmØ: 238,8mmДиаметър на кръговата стъпка Ø: 100mmмин. дебелина: 18mmстрана на монтаж: предна остегло: 4,32kgцентриращ диаметър: 55mm
FREMAX BD-6036 заменими

спирачен диск

страна на монтаж: предна осброй на дупките за закрепване: 4вид на спирачния диск: вентилиранвисочина: 44mmвъншен диаметър: 257mmдебелина на спирачния диск: 23mmмин. дебелина: 21,4mmповърхност: с покритиетегло: 5,7kgцентриращ диаметър: 55mm
FTE 9072202 заменими

спирачен диск

джанта: 4-дупкиброй на дупките за закрепване: 1вид на спирачния диск: вентилиранвисочина: 44,3mmвъншен диаметър: 258mmдебелина на спирачния диск: 23mmконтролен знак за преглед: ECE-R90Диаметър на кръговата стъпка Ø: 100mmмин. дебелина: 21mmстрана на монтаж: предна остегло: 5,8kgцентриращ диаметър: 55mm
FTE 9082122 заменими

спирачен диск

джанта: 4-дупкиброй на дупките за закрепване: 1вид на спирачния диск: вентилиранвисочина: 44,3mmвъншен диаметър: 258mmдебелина на спирачния диск: 23mmдоп. артикул/доп. инфо. 2: без интегриран колесен лагерконтролен знак за преглед: ECE-R90Диаметър на кръговата стъпка Ø: 100mmмин. дебелина: 21mmповърхност: с покритиестрана на монтаж: предна остегло: 5,832kgцентриращ диаметър: 55mm
FTE BS7483 заменими

спирачен диск

година на производство до: 201411страна на монтаж: предна осброй на дупките: 4вид на спирачния диск: с вътрешно вентилираневисочина: 44,3mmвъншен диаметър: 258mmдебелина на спирачния диск: 23mmконтролен знак за преглед: 90R-02C0277/1750Диаметър на кръговата стъпка Ø: 100mmмин. дебелина: 21mmцентриращ диаметър: 55mm
FTE BS7483B заменими

спирачен диск

година на производство до: 201411страна на монтаж: предна осброй на дупките: 4вид на спирачния диск: с вътрешно вентилираневисочина: 44,3mmвъншен диаметър: 258mmдебелина на спирачния диск: 23mmконтролен знак за преглед: 90R-02C0277/1750Диаметър на кръговата стъпка Ø: 100mmмин. дебелина: 21mmповърхност: с покритиецентриращ диаметър: 55mm
GALFER B1.G223-0112.1 заменими

спирачен диск

страна на монтаж: предна осброй на дупките: 4вид на спирачния диск: вентилиранвисочина: 43,9mmвъншен диаметър: 258,0mmвътрешен диаметър: 135,8mmдебелина на спирачния диск: 23,0mmОтвор Ø: 13,0mmконтролен знак за преглед: E1 90R-02C0115/1251Диаметър на кръговата стъпка Ø: 100,0mmмин. дебелина: 21,0mmповърхност: с покритиепреработка: високовъглероднацентриращ диаметър: 55,0mm
GIRLING 6049661 заменими

спирачен диск

страна на монтаж: предна осброй на дупките: 4вид на спирачния диск: вентилиранвисочина: 44mmвъншен диаметър: 258mmдебелина на спирачния диск: 23mmконтролен знак за преглед: E1 90R-02 C0176/0529Диаметър на кръговата стъпка Ø: 100mmмин. дебелина: 21mmмярка на резбата: 13,0повърхност: боядисанцвят: черенцентриращ диаметър: 55mm
HART 224 926 заменими

спирачен диск

страна на монтаж: предна осброй на дупките: 4вид на спирачния диск: вентилиранвисочина: 44mmвъншен диаметър: 258mmдебелина на спирачния диск: 23mm
HELLA 8DD 355 128-851 заменими

спирачен диск

страна на монтаж: предна осброй на дупките: 4вид на спирачния диск: с вътрешно вентилираневисочина: 44mmвъншен диаметър: 258mmвътрешен диаметър: 135,4mmдебелина на спирачния диск: 23mmØ отверстие за болт на джанта: 13mmдоп. артикул/доп. инфо. 2: без болтове за закрепване на колелатадоп. артикул/доп. инфо. 2: без колесен лагердоп. артикул/доп. инфо. 2: без колесна главинаДиаметър на кръговата стъпка Ø: 100mmмин. дебелина: 21mmповърхност: с покритиепреработка: високовъглероднастрана на монтаж: предна остегло: 5,8kgцентриращ диаметър: 55mm
HELLA PAGID 8DD 355 128-851 заменими

спирачен диск

страна на монтаж: предна осброй/разположение на дупките: 04/05вид на спирачния диск: с вътрешно вентилираневисочина: 44mmвъншен диаметър: 258mmвътрешен диаметър: 135,4mmдебелина на спирачния диск: 23mmØ отверстие за болт на джанта: 13mmдоп. артикул/доп. инфо. 2: без болтове за закрепване на колелатадоп. артикул/доп. инфо. 2: без колесен лагердоп. артикул/доп. инфо. 2: без колесна главинаДиаметър на кръговата стъпка Ø: 100mmмин. дебелина: 21mmповърхност: с покритиепреработка: високовъглероднатегло: 5,8kgтехнически информационен номер: 54668PRO_HCцентриращ диаметър: 55mm
HERTH+BUSS JAKOPARTS J3303009 заменими

спирачен диск

обърни внимание на техническите данни: обърни внимание на техническите даннистрана на монтаж: предна осброй на дупките: 4брой на дупките 1: 1вид на спирачния диск: с вътрешно вентилираневисочина: 43,8mmвъншен диаметър: 258mmвътрешен диаметър: 135mmдебелина на спирачния диск: 23mmГлавина Ø: 55mmДиаметър на кръговата стъпка Ø: 100mmмин. дебелина: 21,4mmповърхност: с покритие
HERTH+BUSS JAKOPARTS J3303097 заменими

спирачен диск

обърни внимание на техническите данни: обърни внимание на техническите даннистрана на монтаж: предна осброй на дупките: 4вид на спирачния диск: с вътрешно вентилираневисочина: 41mmвъншен диаметър: 238,8mmдебелина на спирачния диск: 20mmГлавина на колелото Ø: 55mmДиаметър на кръговата стъпка Ø: 100mmмин. дебелина: 18mm
Hi-Q SD4418 заменими

спирачен диск

страна на монтаж: предна осброй на дупките: 5вид на спирачния диск: вентилиранвисочина: 44mmвъншен диаметър: 258mmдебелина: 23mmдебелина на спирачния диск: 21mmДиаметър на кръговата стъпка Ø: 100mmтегло: 5,72kgцентриращ диаметър: 55mm
IAP QUALITY PARTS 709-11083 заменими

спирачен диск

брой на дупките: 4вид на спирачния диск: вентилиранвисочина: 44,5mmвъншен диаметър: 258mmдебелина на спирачния диск: 23,1mmмин. дебелина: 21mmстрана на монтаж: предна осцентриращ диаметър: 55mm
ICER 78BD6036-2 заменими

спирачен диск

страна на монтаж: предна осброй/разположение на дупките: 4вид на спирачния диск: вентилиранвисочина: 44mmвъншен диаметър: 258mmдебелина: 23mmдебелина на спирачния диск: 21mmØ: 55mmконструкция на ос: Frontконтролен знак за преглед: E1 90R-02C0074/1127контролен знак за преглед: E1 90R-02C0452/0077контролен знак за преглед: E1190R02C01049/52493Диаметър на кръговата стъпка Ø: 100mmмин. дебелина: 21mmтехнически информационен номер: 78BD6036-2центриращ диаметър: 55mm
JAPANPARTS DI-300C заменими

спирачен диск

страна на производство на автомобила: 5брой на дупките: 4вид на спирачния диск: вентилиранвисочина: 41mmвъншен диаметър: 239mmдебелина на спирачния диск: 20mmДиаметър на кръговата стъпка Ø: 55mmмин. дебелина: 18mmповърхност: боядисанстрана на монтаж: предна ос
JAPANPARTS DI300JM заменими

спирачен диск

страна на производство на автомобила: 5брой на дупките: 4вид на спирачния диск: вентилиранвисочина: 41mmвъншен диаметър: 239mmдебелина на спирачния диск: 20mmДиаметър на кръговата стъпка Ø: 55mmмин. дебелина: 18mmповърхност: боядисанстрана на монтаж: предна ос
JAPANPARTS DI-325C заменими

спирачен диск

брой на дупките: 4вид на спирачния диск: вентилиранвисочина: 45mmвъншен диаметър: 258mmсила на затягане (въртящ момент): 103Нютонметърдебелина на спирачния диск: 23mmконтролен знак за преглед: ECE R90 APPROVEDДиаметър на кръговата стъпка Ø: 55mmмин. дебелина: 21mmповърхност: боядисанстрана на монтаж: предна ос
JAPANPARTS DI325JM заменими

спирачен диск

брой на дупките: 4вид на спирачния диск: вентилиранвисочина: 45mmвъншен диаметър: 258mmсила на затягане (въртящ момент): 103Нютонметърдебелина на спирачния диск: 23mmконтролен знак за преглед: ECE R90 APPROVEDДиаметър на кръговата стъпка Ø: 55mmмин. дебелина: 21mmповърхност: боядисанстрана на монтаж: предна ос
JAPKO 60300C заменими

спирачен диск

страна на производство на автомобила: 5брой на дупките: 4вид на спирачния диск: вентилиранвисочина: 41mmвъншен диаметър: 239mmдебелина на спирачния диск: 20mmДиаметър на кръговата стъпка Ø: 55mmмин. дебелина: 18mmповърхност: боядисанстрана на монтаж: предна ос
JAPKO 60325C заменими

спирачен диск

брой на дупките: 4вид на спирачния диск: вентилиранвисочина: 45mmвъншен диаметър: 258mmсила на затягане (въртящ момент): 103Нютонметърдебелина на спирачния диск: 23mmконтролен знак за преглед: ECE R90 APPROVEDДиаметър на кръговата стъпка Ø: 55mmмин. дебелина: 21mmповърхност: боядисанстрана на монтаж: предна ос
JP GROUP 3863100900 заменими

спирачен диск

брой на дупките: 4вид на спирачния диск: вентилиранвъншен диаметър: 258mmдебелина на спирачния диск: 23mmповърхност: с покритиестрана на монтаж: предна ос
JURATEK MAZ135 заменими

спирачен диск

страна на монтаж: предна осброй на дупките за закрепване: 4вид на спирачния диск: вентилиранвисочина: 44mmвъншен диаметър: 258mmдебелина на спирачния диск: 23mmОтвор Ø: 13mmконструкция на спирачките: дискови спирачкиДиаметър на кръговата стъпка Ø: 100mmмин. дебелина: 21mmномер на артикул в чифта: JCK1019номер на артикул в чифта: JCP025номер на артикул в чифта: NKF8083;NKR0004;NKR0повърхност: с покритиетегло: 6,1kgцентриращ диаметър: 55mm
JURID 562564JC заменими

спирачен диск

номер на артикул в чифта: 573745Jстрана на монтаж: предна осброй на дупките: 4версия: JCвид на спирачния диск: вентилиранвисочина: 45mmвисочина на опаковка: 10,5смвъншен диаметър: 258mmсила на затягане (въртящ момент): 103Нютонметърдебелина на спирачния диск: 23mmдоп. артикул/доп. инфо. 2: без винтовеДължина на опаковка: 28смединица-мярка за количество: комплектконтролен знак за преглед: R90 HomologatedДиаметър на кръговата стъпка Ø: 100mmмин. дебелина: 21mmповърхност: с покритиетегло: 11,76kgТип опаковка: кутияцентриращ диаметър: 55mmопаковачна широчина: 28см
KAISHIN CBR398 заменими

спирачен диск

брой на дупките: 4брой на дупките: 4вид на спирачния диск: вентилиранвисочина: 45mmвъншен диаметър: 258mmсила на затягане (въртящ момент): 103Нютонметърдебелина на спирачния диск: 23mmконтролен знак за преглед: ECE R90 APPROVEDДиаметър на кръговата стъпка Ø: 55mmмин. дебелина: 21mmповърхност: боядисанстрана на монтаж: предна ос
KAISHIN CBR567 заменими

спирачен диск

брой на дупките: 4брой на дупките: 4вид на спирачния диск: вентилиранвисочина: 41mmвъншен диаметър: 239mmдебелина на спирачния диск: 20mmДиаметър на кръговата стъпка Ø: 55mmмин. дебелина: 18mmповърхност: боядисанстрана на монтаж: предна ос
KAMOKA 1031088 заменими

спирачен диск

брой на дупките: 4вид на спирачния диск: вентилиранвисочина: 44mmвъншен диаметър: 258mmдебелина на спирачния диск: 23mmДиаметър на кръговата стъпка Ø: 100mmповърхност: с покритиестрана на монтаж: предна осцентриращ диаметър: 55mm
KAMOKA 103646 заменими

спирачен диск

брой на дупките: 4вид на спирачния диск: вентилиранвисочина: 44mmвъншен диаметър: 257mmдебелина на спирачния диск: 22mmДиаметър на кръговата стъпка Ø: 100mmповърхност: с покритиестрана на монтаж: предна осцентриращ диаметър: 55mm
KAVO PARTS BR-4769-C заменими

спирачен диск

година на производство до: 201411страна на монтаж: предна осброй на дупките: 4вид на спирачния диск: вентилиранвисочина: 44mmвъншен диаметър: 258mmдебелина на спирачния диск: 23mmконтролен знак за преглед: R90Диаметър на кръговата стъпка Ø: 100mmповърхност: с покритиецентриращ диаметър: 55mm
KAWE 61266 10 заменими

спирачен диск

брой на дупките: 4вид на спирачния диск: вентилиранвисочина: 44mmвъншен диаметър: 258mmдебелина на спирачния диск: 23mmØ: 257,9mmмин. дебелина: 21mmстрана на монтаж: предна осцентриращ диаметър: 55mm
KAWE 61738 10 заменими

спирачен диск

брой на дупките: 4вид на спирачния диск: вентилиранвисочина: 41mmвъншен диаметър: 239mmдебелина на спирачния диск: 20mmØ: 238,8mmДиаметър на кръговата стъпка Ø: 100mmмин. дебелина: 18mmстрана на монтаж: предна остегло: 4,32kgцентриращ диаметър: 55mm
KEY PARTS KBD4700 заменими

спирачен диск

страна на монтаж: предна осброй на дупките: 4вид на спирачния диск: вентилиранвисочина: 44mmвъншен диаметър: 258mmдебелина на спирачния диск: 23mmединица-мярка за количество: комплектмин. дебелина: 21mmповърхност: без покритиецентриращ диаметър: 55mm
KRAFT AUTOMOTIVE 6043688 заменими

спирачен диск

брой на дупките: 4вид на спирачния диск: вентилиранвъншен диаметър: 258,0mmдебелина на спирачния диск: 23,0mmпродуктов номер: K6043688страна на монтаж: предна ос
LPR M5017V заменими

спирачен диск

страна на монтаж: предна осброй на дупките: 4вид на спирачния диск: с вътрешно вентилираневисочина: 44,3mmвъншен диаметър: 258mmдебелина на спирачния диск: 23mmмин. дебелина: 21mmцентриращ диаметър: 54,9mm
LPR M5017VR заменими

спирачен диск

страна на монтаж: предна осброй на дупките: 4вид на спирачния диск: с вътрешно вентилираневисочина: 44,3mmвъншен диаметър: 258mmдебелина на спирачния диск: 23mmмин. дебелина: 21mmповърхност: с покритиецентриращ диаметър: 54,9mm
LYNXAUTO BN-1447 заменими

спирачен диск

брой на дупките: 4вид на спирачния диск: вентилиранвисочина: 44mmвъншен диаметър: 258mmдебелина на спирачния диск: 23mmДиаметър на кръговата стъпка Ø: 100mmмин. дебелина: 21mmстрана на монтаж: предна осцентриращ диаметър: 55mm
LYNXAUTO BN-1642 заменими

спирачен диск

страна на производство на автомобила: 5брой на дупките: 4вид на спирачния диск: вентилиранвисочина: 41mmвъншен диаметър: 239mmдебелина на спирачния диск: 20mmДиаметър на кръговата стъпка Ø: 100mmмин. дебелина: 18mmстрана на монтаж: предна осцентриращ диаметър: 55mm
MAGNETI MARELLI 361302040592 заменими

спирачен диск

страна на монтаж: предна осброй на дупките: 4вид на спирачния диск: с вътрешно вентилираневисочина: 44mmвъншен диаметър: 258mmсила на затягане (въртящ момент): 103Нютонметърдебелина на спирачния диск: 23mmØ: 258mmДиаметър на кръговата стъпка Ø: 55mmмин. дебелина: 21mm
MANDO MBC035757 заменими

спирачен диск

вид на спирачния диск: с вътрешно вентилираневисочина: 44mmвъншен диаметър: 258mmдебелина на спирачния диск: 23mmконтролен знак за преглед: E1 90R-02C0074/1127мин. дебелина: 21mmстрана на монтаж: предна осцентриращ диаметър: 55mm
MAPCO 25243 заменими

спирачен диск

брой на дупките: 4вид на спирачния диск: вентилиранвисочина: 44,5mmвъншен диаметър: 258mmдебелина на спирачния диск: 23mmстрана на монтаж: предна ос
MASTER-SPORT GERMANY 24012301121-PCS-MS заменими

спирачен диск

брой на дупките: 4бруто тегло: 5,89kgвид на спирачния диск: вентилиранвисочина: 43,9mmвъншен диаметър: 258mmвътрешен диаметър: 135,8mmдебелина на спирачния диск: 23mmОтвор Ø: 13mmДиаметър на кръговата стъпка Ø: 100mmмин. дебелина: 21mmнеобходими бройки: 2нето тегло: 5,89kgпреработка: високовъглероднастрана на монтаж: предна осцентриращ диаметър: 55mm
MASTER-SPORT GERMANY 24012301121-PCS-MSP заменими

спирачен диск

брой на дупките: 4бруто тегло: 6,12kgвид на спирачния диск: вентилиранвисочина: 43,9mmвъншен диаметър: 258mmвътрешен диаметър: 135,8mmдебелина на спирачния диск: 23mmОтвор Ø: 13mmДиаметър на кръговата стъпка Ø: 100mmмин. дебелина: 21mmнеобходими бройки: 2нето тегло: 6,12kgпреработка: високовъглероднастрана на монтаж: предна осцентриращ диаметър: 55mm
MASTER-SPORT GERMANY 24012301121PR-PCS-MS заменими

спирачен диск

брой на дупките: 4вид на спирачния диск: вентилиранвисочина: 43,9mmвъншен диаметър: 258mmвътрешен диаметър: 135,8mmдебелина на спирачния диск: 23mmОтвор Ø: 13mmДиаметър на кръговата стъпка Ø: 100mmмин. дебелина: 21mmнеобходими бройки: 2повърхност: с покритиепреработка: високовъглероднастрана на монтаж: предна осцентриращ диаметър: 55mm
MASTER-SPORT GERMANY 24012301121PR-PCS-MSP заменими

спирачен диск

брой на дупките: 4вид на спирачния диск: вентилиранвисочина: 43,9mmвъншен диаметър: 258mmвътрешен диаметър: 135,8mmдебелина на спирачния диск: 23mmОтвор Ø: 13mmДиаметър на кръговата стъпка Ø: 100mmмин. дебелина: 21mmнеобходими бройки: 2повърхност: с покритиепреработка: високовъглероднастрана на монтаж: предна осцентриращ диаметър: 55mm
MASTER-SPORT GERMANY 24012301121PR-SET-MS заменими

спирачен диск

брой на дупките: 4вид на спирачния диск: вентилиранвисочина: 43,9mmвъншен диаметър: 258mmвътрешен диаметър: 135,8mmдебелина на спирачния диск: 23mmОтвор Ø: 13mmединица-мярка за количество: комплектДиаметър на кръговата стъпка Ø: 100mmмин. дебелина: 21mmнеобходими бройки: 1повърхност: с покритиепреработка: високовъглероднастрана на монтаж: предна осцентриращ диаметър: 55mm
MASTER-SPORT GERMANY 24012301121PR-SET-MSP заменими

спирачен диск

брой на дупките: 4вид на спирачния диск: вентилиранвисочина: 43,9mmвъншен диаметър: 258mmвътрешен диаметър: 135,8mmдебелина на спирачния диск: 23mmОтвор Ø: 13mmединица-мярка за количество: комплектДиаметър на кръговата стъпка Ø: 100mmмин. дебелина: 21mmнеобходими бройки: 1повърхност: с покритиепреработка: високовъглероднастрана на монтаж: предна осцентриращ диаметър: 55mm
MASTER-SPORT GERMANY 24012301121-SET-MS заменими

спирачен диск

брой на дупките: 4бруто тегло: 11,78kgвид на спирачния диск: вентилиранвисочина: 43,9mmвъншен диаметър: 258mmвътрешен диаметър: 135,8mmдебелина на спирачния диск: 23mmОтвор Ø: 13mmДиаметър на кръговата стъпка Ø: 100mmмин. дебелина: 21mmнеобходими бройки: 1нето тегло: 11,78kgповърхност: с покритиепреработка: високовъглероднастрана на монтаж: предна осцентриращ диаметър: 55mm
MASTER-SPORT GERMANY 24012301121-SET-MSP заменими

спирачен диск

брой на дупките: 4вид на спирачния диск: вентилиранвисочина: 43,9mmвъншен диаметър: 258mmвътрешен диаметър: 135,8mmдебелина на спирачния диск: 23mmОтвор Ø: 13mmДиаметър на кръговата стъпка Ø: 100mmмин. дебелина: 21mmнеобходими бройки: 1нето тегло: 12,25kgповърхност: с покритиепреработка: високовъглероднастрана на монтаж: предна осцентриращ диаметър: 55mm
MAXGEAR 19-2385 заменими

спирачен диск

брой на дупките: 4вид на спирачния диск: с вътрешно вентилираневисочина: 44mmвъншен диаметър: 258mmдебелина на спирачния диск: 23mmдоп. артикул/доп. инфо. 2: без болтове за закрепване на колелатадоп. артикул/доп. инфо. 2: без колесна главинаДиаметър на кръговата стъпка Ø: 100mmмин. дебелина: 21mmстрана на монтаж: предна осцентриращ диаметър: 55mm
MAXGEAR 19-2385SPORT заменими

спирачен диск

брой на дупките: 4вид на спирачния диск: с вътрешно вентилираневид на спирачния диск: с шлицове/перфориранвисочина: 44mmвъншен диаметър: 258mmдебелина на спирачния диск: 23mmдоп. артикул/доп. инфо. 2: без болтове за закрепване на колелатадоп. артикул/доп. инфо. 2: без колесна главинаДиаметър на кръговата стъпка Ø: 100mmмин. дебелина: 21mmповърхност: боядисанстрана на монтаж: предна осцентриращ диаметър: 55mm
MAXTECH 853093 заменими

спирачен диск

брой на дупките: 4вид на спирачния диск: вентилиранвисочина: 44mmвъншен диаметър: 258mmвътрешен диаметър: 135,8mmдебелина на спирачния диск: 23mmОтвор Ø: 13mmконтролен знак за преглед: 90R-02C01327/31788Диаметър на кръговата стъпка Ø: 100mmмин. дебелина: 21mmстрана на монтаж: предна остегло: 5,8kgцентриращ диаметър: 55mm
METELLI 23-0983 заменими

спирачен диск

страна на монтаж: предна осброй на дупките: 4вид на спирачния диск: вентилиранвисочина: 45,0mmвъншен диаметър: 258,0mmдебелина на спирачния диск: 23,0mmконтролен знак за преглед: ECE-R90центриращ диаметър: 55,0mm
METELLI 23-1821C заменими

спирачен диск

година на производство до: 201412страна на монтаж: предна осброй на дупките: 4вид на спирачния диск: вентилиранвисочина: 41,0mmвъншен диаметър: 238,8mmдебелина на спирачния диск: 20,0mmконтролен знак за преглед: ECE-R90повърхност: боядисанцентриращ диаметър: 55,0mm
METZGER AUTOTEILE 6110266 заменими

спирачен диск

брой на дупките: 4вид на спирачния диск: с вътрешно вентилираневисочина: 43,9mmвъншен диаметър: 258mmвътрешен диаметър: 135,4mmдебелина на спирачния диск: 23mmДиаметър на кръговата стъпка Ø: 100mmмин. дебелина: 21mmповърхност: боядисанповърхност: Кръстообразен срезстрана на монтаж: на предната ос отдяснострана на монтаж: на предната ос отлявоудовлетворява нормите на ЕИК: R90центриращ диаметър: 55mm
MEYLE 35-15 521 0030 заменими

спирачен диск

брой на дупките: 4вид на спирачния диск: вентилиранвисочина: 44mmвъншен диаметър: 258mmдебелина на спирачния диск: 23mmØ отверстие за болт на джанта: 13mmДиаметър на кръговата стъпка Ø: 100mmмин. дебелина: 21mmнеобходими бройки: 2страна на монтаж: предна осцентриращ диаметър: 55mm
MINTEX MDC2042 заменими

спирачен диск

страна на монтаж: предна осброй/разположение на дупките: 04/05вид на спирачния диск: с вътрешно вентилираневисочина: 44mmвисочина на опаковка: 12,2смвъншен диаметър: 258mmвътрешен диаметър: 135,4mmдебелина на спирачния диск: 23mmØ отверстие за болт на джанта: 13mmдоп. артикул/доп. инфо. 2: без болтове за закрепване на колелатадоп. артикул/доп. инфо. 2: без колесен лагердоп. артикул/доп. инфо. 2: без колесна главинаДължина на опаковка: 27,8смДиаметър на кръговата стъпка Ø: 100mmмин. дебелина: 21mmтегло: 5,8kgцентриращ диаметър: 55mmопаковачна широчина: 27,8см
MOTAQUIP LVBD1299Z заменими

спирачен диск

страна на монтаж: предна осброй на дупките: 4вид на спирачния диск: с вътрешно вентилираневисочина: 44mmвъншен диаметър: 258mmдебелина на спирачния диск: 23mmДиаметър на кръговата стъпка Ø: 100mmмин. дебелина: 21mmповърхност: с покритиетегло: 5,955kgцентриращ диаметър: 55mm
National NBD1509 заменими

спирачен диск

страна на монтаж: предна осброй на дупките: 4вид на спирачния диск: вентилиранвисочина: 44mmвъншен диаметър: 258mmдебелина на спирачния диск: 23mmДиаметър на кръговата стъпка Ø: 100mmцентриращ диаметър: 55mm
NIPPARTS N3303086 заменими

спирачен диск

брой на дупките: 4вид на спирачния диск: с вътрешно вентилираневисочина: 44mmвъншен диаметър: 258mmдебелина на спирачния диск: 23mmГлавина на колелото Ø: 146,3mmДиаметър на кръговата стъпка Ø: 100mmмин. дебелина: 21mmстрана на монтаж: предна осцентриращ диаметър: 55mm
NIPPARTS N3303099 заменими

спирачен диск

страна на монтаж: на задната ос отдяснострана на монтаж: на задната ос отлявострана на производство на автомобила: 5брой на дупките: 4вид на спирачния диск: вентилиранвисочина: 41mmвъншен диаметър: 239mmдебелина на спирачния диск: 20mmГлавина на колелото Ø: 146mmДиаметър на кръговата стъпка Ø: 100mmмин. дебелина: 18,0mmцентриращ диаметър: 55mm
NK 203267 заменими

спирачен диск

страна на монтаж: предна осджанта: 4-дупкивид на спирачния диск: вентилиранвисочина: 44,3mmвъншен диаметър: 258mmдебелина на спирачния диск: 23mmмин. дебелина: 21,4mmнето тегло: 5,72kgповърхност: омасленцентриращ диаметър: 55mm
NK 313267 заменими

спирачен диск

страна на монтаж: предна осджанта: 4-дупкивид на спирачния диск: вентилиранвисочина: 44,3mmвъншен диаметър: 258mmдебелина на спирачния диск: 23mmмин. дебелина: 21,4mmнето тегло: 5,72kgповърхност: с покритиецентриращ диаметър: 55mm
NPS M330A49 заменими

спирачен диск

брой на дупките: 4брой на дупките за закрепване: 1брой части: 1-tlg.вид на спирачния диск: вентилиранвисочина: 37,5mmвъншен диаметър: 242mmвътрешен диаметър: 55mmдебелина на спирачния диск: 23mmконтролен знак за преглед: E1 90R-02C0074/1127Диаметър на кръговата стъпка Ø: 55mmмин. дебелина: 18mmспецификация: 4trous / 100спецификация: Qte packaging: 1страна на монтаж: предна ос
NPS M330A87 заменими

спирачен диск

брой на дупките: 4брой части: 1-tlg.вид на спирачния диск: вентилиранвъншен диаметър: 238mmдебелина на спирачния диск: 20mmØ: 238mmконтролен знак за преглед: E1 90R-02C0074/1329спецификация: Qte packaging: 1страна на монтаж: предна ос
OPEN PARTS BDA2490.20 заменими

спирачен диск

страна на монтаж: предна осброй на дупките: 4вид на спирачния диск: вентилиранвисочина: 44mmвъншен диаметър: 257,9mmдебелина на спирачния диск: 23mmмин. дебелина: 21mmцентриращ диаметър: 55mm
OPEN PARTS BDA2894.20 заменими

спирачен диск

страна на монтаж: предна осстрана на производство на автомобила: 5брой на дупките: 4вид на спирачния диск: вентилиранвисочина: 41mmвъншен диаметър: 239mmдебелина на спирачния диск: 20mmмин. дебелина: 18mmцентриращ диаметър: 55mm
OPEN PARTS BDR2490.20 заменими

спирачен диск

страна на монтаж: предна осброй на дупките: 4вид на спирачния диск: вентилиранвисочина: 44mmвъншен диаметър: 257,9mmдебелина на спирачния диск: 23mmмин. дебелина: 21mmповърхност: боядисанцентриращ диаметър: 55mm
OPTIMAL BS-8738 заменими

спирачен диск

брой/разположение на дупките: 4/5вид на спирачния диск: вентилиранвисочина: 44mmвъншен диаметър: 258mmдебелина на спирачния диск: 23mmстрана на монтаж: предна осцентриращ диаметър: 55mm
OPTIMAL BS-8738C заменими

спирачен диск

брой/разположение на дупките: 4/5вид на спирачния диск: вентилиранвисочина: 44mmвъншен диаметър: 258mmдебелина на спирачния диск: 23mmповърхност: с покритиестрана на монтаж: предна осцентриращ диаметър: 55mm
PAGID 54668NC заменими

спирачен диск

страна на монтаж: предна осброй/разположение на дупките: 04/05вид на спирачния диск: с вътрешно вентилираневисочина: 44mmвисочина на опаковка: 8,4смвъншен диаметър: 258mmвътрешен диаметър: 135,4mmдебелина на спирачния диск: 23mmØ отверстие за болт на джанта: 13mmдоп. артикул/доп. инфо. 2: без болтове за закрепване на колелатадоп. артикул/доп. инфо. 2: без колесен лагердоп. артикул/доп. инфо. 2: без колесна главинаДължина на опаковка: 27,8смДиаметър на кръговата стъпка Ø: 100mmмин. дебелина: 21mmповърхност: с покритиетегло: 5,8kgцентриращ диаметър: 55mmопаковачна широчина: 27,8см
PILENGA V535 заменими

спирачен диск

брой на дупките 1: 4брой на дупките 2: 1вид на спирачния диск: вентилиранвисочина: 43,9mmвъншен диаметър: 258mmвътрешен диаметър: 135,8mmдебелина на спирачния диск: 23mmмин. дебелина: 21mmпреработка: високовъглероднастрана на монтаж: предна осцентриращ диаметър: 55mm
Professional Parts 51240779 заменими

спирачен диск

година на производство до: 201412брой на дупките: 4вид на спирачния диск: вентилиранвисочина: 43,9mmвъншен диаметър: 258mmвътрешен диаметър: 135,8mmдебелина на спирачния диск: 23mmОтвор Ø: 13mmДиаметър на кръговата стъпка Ø: 100mmмин. дебелина: 21mmстрана на монтаж: предна осцентриращ диаметър: 55mm
ProfiPower 3B1237 заменими

спирачен диск

година на производство до: 201410страна на монтаж: предна осброй на дупките: 4вид на спирачния диск: вентилиранвисочина: 44mmвъншен диаметър: 257,9mmвъншна повърхност на ръкавици: омаслендебелина на спирачния диск: 23mmГлавина на колелото Ø: 55mmОтвор Ø до: 13mmизпълнение на бутало (преса): високовъглероднаконтактна повърхност: омасленДиаметър на кръговата стъпка Ø: 100mmмин. дебелина: 21mmповръхност на дръжката на инструмент: омасленповърност на главата на клещите: омасленповърхност: омасленповърхност глава на чук: омасленповърхност глава на чук (кръгла страна): омасленповърхност на вал: омасленповърхност на корпуса: омасленповърхност на нож: омасленповърхност на работния край: омасленПовърхност на рамката: омасленповърхност на режещ ръб: омасленповърхност на челюст: омасленповърхност на чук: омасленповърхност на чук (квадратна част): омасленповърхност предна част чук: омасленподплата на ръкавици: омасленпокритие на свредло: омасленпреработка: високовъглероднарежеща повърхност: омаслен
QUARO QD3793 заменими

спирачен диск

страна на монтаж: предна осброй на дупките: 4вид на спирачния диск: с вътрешно вентилираневисочина: 44mmвъншен диаметър: 258mmдебелина на спирачния диск: 23mmдоп. артикул/доп. инфо. 2: без болтове за закрепване на колелатадоп. артикул/доп. инфо. 2: без колесна главинаДиаметър на кръговата стъпка Ø: 100mmмин. дебелина: 21mmповърхност: боядисанцентриращ диаметър: 55mm
QUINTON HAZELL BDC5754 заменими

спирачен диск

страна на монтаж: предна осброй на дупките: 4вид на спирачния диск: вентилиранвисочина: 44mmвъншен диаметър: 258mmдебелина на спирачния диск: 23mmДиаметър на кръговата стъпка Ø: 100mmмин. дебелина: 21mmцентриращ диаметър: 55mm
R BRAKE 78RBD26036 заменими

спирачен диск

страна на монтаж: предна осброй/разположение на дупките: 4вид на спирачния диск: вентилиранвисочина: 44mmвъншен диаметър: 258mmдебелина: 23mmдебелина на спирачния диск: 21mmØ: 55mmконструкция на ос: Frontконтролен знак за преглед: E1 90R-02C0074/1127контролен знак за преглед: E1 90R-02C0452/0077контролен знак за преглед: E1190R02C01049/52493Диаметър на кръговата стъпка Ø: 100mmмин. дебелина: 21mmтехнически информационен номер: 78BD6036-2центриращ диаметър: 55mm
RAICAM RD00421 заменими

спирачен диск

за OE-номер: DF7133251Aджанта: 4-дупкивид на спирачния диск: вентилиранвисочина: 44,3mmвъншен диаметър: 258mmдебелина на спирачния диск: 23mmмин. дебелина: 21mmстрана на монтаж: предна остегло: 5,8kgудовлетворява нормите на ЕИК: E1центриращ диаметър: 55mm
RAP BRAKES R-D0213 заменими

спирачен диск

брой на дупките: 4вид на спирачния диск: вентилиранвисочина: 44mmвъншен диаметър: 258mmдебелина на спирачния диск: 23mmДиаметър на кръговата стъпка Ø: 100mmмин. дебелина: 21mmмярка на резбата: 13повърхност: омасленстрана на монтаж: предна осцентриращ диаметър: 55mm
RED-LINE 26MZ035 заменими

спирачен диск

брой на дупките: 4вид на спирачния диск: вентилиранвисочина: 45mmвъншен диаметър: 258mmвътрешен диаметър: 55mmдебелина на спирачния диск: 23mmнеобходими бройки: 2страна на монтаж: предна ос
RED-LINE 26MZ049 заменими

спирачен диск

страна на производство на автомобила: 5брой на дупките: 4вид на спирачния диск: вентилиранвисочина: 41mmвъншен диаметър: 239mmвътрешен диаметър: 55mmдебелина на спирачния диск: 20mmнеобходими бройки: 2страна на монтаж: предна ос
REMSA 61266.10 заменими

спирачен диск

брой на дупките: 4вид на спирачния диск: вентилиранвисочина: 44mmвъншен диаметър: 258mmдебелина на спирачния диск: 23mmØ: 257,9mmмин. дебелина: 21mmстрана на монтаж: предна осцентриращ диаметър: 55mm
REMSA 61738.10 заменими

спирачен диск

брой на дупките: 4вид на спирачния диск: вентилиранвисочина: 41mmвъншен диаметър: 239mmдебелина на спирачния диск: 20mmØ: 238,8mmДиаметър на кръговата стъпка Ø: 100mmмин. дебелина: 18mmстрана на монтаж: предна остегло: 4,32kgцентриращ диаметър: 55mm
RIDEX 82B0368 заменими

спирачен диск

страна на монтаж: предна осброй/разположение на дупките: 4/5вид на спирачния диск: с вътрешно вентилираневисочина: 44mmвъншен диаметър: 258,0mmвътрешен диаметър: 135,8mmдебелина на спирачния диск: 23mmОтвор Ø: 13,0mmдоп. артикул/доп. инфо. 2: без болтове за закрепване на колелатадоп. артикул/доп. инфо. 2: без колесна главинаДиаметър на кръговата стъпка Ø: 100mmмин. дебелина: 21mmповърхност: без покритиецентриращ диаметър: 55mm
RIDEX 82B1478 заменими

спирачен диск

страна на монтаж: на задната ос отлявострана на производство на автомобила: 5брой/разположение на дупките: 4/5вид на спирачния диск: с вътрешно вентилираневисочина: 41,0mmвъншен диаметър: 239mmдебелина на спирачния диск: 20,0mmГлавина Ø: 146mmДиаметър на кръговата стъпка Ø: 100mmДиаметър на кръговата стъпка Ø: 55mmмин. дебелина: 18,0mmстрана на монтаж: предна ос
ROADHOUSE 61266.10 заменими

спирачен диск

брой на дупките: 4вид на спирачния диск: вентилиранвисочина: 44mmвъншен диаметър: 258mmдебелина на спирачния диск: 23mmØ: 257,9mmмин. дебелина: 21mmстрана на монтаж: предна осцентриращ диаметър: 55mm
ROADHOUSE 61738.10 заменими

спирачен диск

брой на дупките: 4вид на спирачния диск: вентилиранвисочина: 41mmвъншен диаметър: 239mmдебелина на спирачния диск: 20mmØ: 238,8mmДиаметър на кръговата стъпка Ø: 100mmмин. дебелина: 18mmстрана на монтаж: предна остегло: 4,32kgцентриращ диаметър: 55mm
ROTINGER RT 20779 заменими

спирачен диск

брой на дупките: 4вид на спирачния диск: вентилиранвисочина: 44mmвъншен диаметър: 257,9mmвътрешен диаметър: 135,2mmдебелина на спирачния диск: 23mmДиаметър на кръговата стъпка Ø: 100mmмин. дебелина: 21mmмярка на резбата: 13страна на монтаж: предна остегло: 5,7kgцентриращ диаметър: 55mm
ROTINGER RT 20779-GL заменими

спирачен диск

брой на дупките: 4вид на спирачния диск: вентилиранвисочина: 44mmвъншен диаметър: 257,9mmвътрешен диаметър: 135,2mmдебелина на спирачния диск: 23mmДиаметър на кръговата стъпка Ø: 100mmмин. дебелина: 21mmмярка на резбата: 13повърхност: галванизиранстрана на монтаж: предна остегло: 5,7kgцентриращ диаметър: 55mm
ROTINGER RT 20779-GL T3 заменими

спирачен диск

брой на дупките: 4вид на спирачния диск: вентилиранвид на спирачния диск: перфориранвисочина: 44mmвъншен диаметър: 257,9mmвътрешен диаметър: 135,2mmдебелина на спирачния диск: 23mmДиаметър на кръговата стъпка Ø: 100mmмин. дебелина: 21mmмярка на резбата: 13повърхност: галванизиранстрана на монтаж: предна остегло: 5,7kgцентриращ диаметър: 55mm
ROTINGER RT 20779-GL T5 заменими

спирачен диск

брой на дупките: 4вид на спирачния диск: вентилиранвид на спирачния диск: перфориранвисочина: 44mmвъншен диаметър: 257,9mmвътрешен диаметър: 135,2mmдебелина на спирачния диск: 23mmДиаметър на кръговата стъпка Ø: 100mmмин. дебелина: 21mmмярка на резбата: 13повърхност: галванизиранстрана на монтаж: предна остегло: 5,7kgцентриращ диаметър: 55mm
ROTINGER RT 20779-GL T6 заменими

спирачен диск

брой на дупките: 4вид на спирачния диск: вентилиранвисочина: 44mmвъншен диаметър: 257,9mmвътрешен диаметър: 135,2mmдебелина на спирачния диск: 23mmДиаметър на кръговата стъпка Ø: 100mmмин. дебелина: 21mmмярка на резбата: 13повърхност: галванизиранстрана на монтаж: предна остегло: 5,7kgцентриращ диаметър: 55mm
ROTINGER RT 20779-GL T9 заменими

спирачен диск

брой на дупките: 4вид на спирачния диск: вентилиранвисочина: 44mmвъншен диаметър: 257,9mmвътрешен диаметър: 135,2mmдебелина на спирачния диск: 23mmДиаметър на кръговата стъпка Ø: 100mmмин. дебелина: 21mmмярка на резбата: 13повърхност: галванизиранстрана на монтаж: предна остегло: 5,7kgцентриращ диаметър: 55mm
SAKURA 6043688 заменими

спирачен диск

вид на спирачния диск: вентилиранвисочина: 43,9mmвъншен диаметър: 258,0mmдебелина на спирачния диск: 23mmпродуктов номер: S6043688страна на монтаж: предна осцентриращ диаметър: 55mm
SAMKO M5017V заменими

спирачен диск

страна на монтаж: предна осброй на дупките: 4вид на спирачния диск: с вътрешно вентилираневисочина: 44,3mmвъншен диаметър: 258mmдебелина на спирачния диск: 23mmмин. дебелина: 21mmцентриращ диаметър: 54,9mm
SAMKO M5017VR заменими

спирачен диск

страна на монтаж: предна осброй на дупките: 4вид на спирачния диск: с вътрешно вентилираневисочина: 44,3mmвъншен диаметър: 258mmдебелина на спирачния диск: 23mmмин. дебелина: 21mmповърхност: с покритиецентриращ диаметър: 54,9mm
SASIC 6106351 заменими

спирачен диск

дата на производство от: 09/07брой на дупките: 4вид на спирачния диск: вентилиранвисочина: 44mmвъншен диаметър: 258mmдебелина на спирачния диск: 23mmза OE-номер: DF7133251AДиаметър на кръговата стъпка Ø: 55mmстрана на монтаж: предна ос
SKF VKBD 80351 V2 заменими

спирачен диск

страна на монтаж: предна осброй на дупките: 1брой на дупките: 4вид на спирачния диск: с вътрешно вентилираневисочина: 44mmвъншен диаметър: 258mmдебелина на спирачния диск: 23mmДиаметър на кръговата стъпка Ø: 100mmмин. дебелина: 21mmповърхност: с покритиецентриращ диаметър: 55mm
Stark SKBD-0020373 заменими

спирачен диск

страна на монтаж: предна осброй/разположение на дупките: 4/5вид на спирачния диск: с вътрешно вентилираневисочина: 44mmвъншен диаметър: 258,0mmвътрешен диаметър: 135,8mmдебелина на спирачния диск: 23mmОтвор Ø: 13,0mmдоп. артикул/доп. инфо. 2: без болтове за закрепване на колелатадоп. артикул/доп. инфо. 2: без колесна главинаДиаметър на кръговата стъпка Ø: 100mmмин. дебелина: 21mmповърхност: без покритиецентриращ диаметър: 55mm
Stark SKBD-0023622 заменими

спирачен диск

страна на монтаж: на задната ос отлявострана на производство на автомобила: 5брой/разположение на дупките: 4/5вид на спирачния диск: с вътрешно вентилираневисочина: 41,0mmвъншен диаметър: 239mmдебелина на спирачния диск: 20,0mmГлавина Ø: 146mmДиаметър на кръговата стъпка Ø: 100mmДиаметър на кръговата стъпка Ø: 55mmмин. дебелина: 18,0mmстрана на монтаж: предна ос
STELLOX 6020-1123VK-SX заменими

спирачен диск

вид на спирачния диск: вентилиранвъншен диаметър: 258mmдебелина на спирачния диск: 23mmстрана на монтаж: предна ос
STELLOX 6020-1123V-SX заменими

спирачен диск

брой на дупките: 4вид на спирачния диск: вентилиранвисочина: 43,9mmвъншен диаметър: 258mmвътрешен диаметър: 135,8mmдебелина на спирачния диск: 23mmДиаметър на кръговата стъпка Ø: 13mmмин. дебелина: 21mmповърхност: с покритиепреработка: високовъглероднастрана на монтаж: предна осцентриращ диаметър: 55mm
SWAG 33 10 7233 заменими

спирачен диск

джанта: 4-дупкиброй на дупките за закрепване: 1вид на спирачния диск: с вътрешно вентилираневъншен диаметър: 258mmдебелина: 44mmдебелина на спирачния диск: 23mmДиаметър на кръговата стъпка Ø: 100mmмин. дебелина: 21mmповърхност: с покритиестрана на монтаж: предна остегло: 5,6kgцентриращ диаметър: 55mm
TEXTAR 92166803 заменими

спирачен диск

страна на монтаж: предна осброй/разположение на дупките: 04/05вид на спирачния диск: с вътрешно вентилираневисочина: 44mmвисочина на опаковка: 12,2смвъншен диаметър: 258mmвътрешен диаметър: 135,4mmдебелина на спирачния диск: 23mmØ отверстие за болт на джанта: 13mmдоп. артикул/доп. инфо. 2: без болтове за закрепване на колелатадоп. артикул/доп. инфо. 2: без колесен лагердоп. артикул/доп. инфо. 2: без колесна главинаДължина на опаковка: 27,8смДиаметър на кръговата стъпка Ø: 100mmмин. дебелина: 21mmповърхност: с покритиетегло: 5,8kgцентриращ диаметър: 55mmопаковачна широчина: 27,8см
TEXTAR 92166805 заменими

спирачен диск

страна на монтаж: предна осброй/разположение на дупките: 04/05вид на спирачния диск: с вътрешно вентилираневисочина: 44mmвисочина на опаковка: 12,2смвъншен диаметър: 258mmвътрешен диаметър: 135,4mmдебелина на спирачния диск: 23mmØ отверстие за болт на джанта: 13mmдоп. артикул/доп. инфо. 2: без болтове за закрепване на колелатадоп. артикул/доп. инфо. 2: без колесен лагердоп. артикул/доп. инфо. 2: без колесна главинаДължина на опаковка: 27,8смДиаметър на кръговата стъпка Ø: 100mmмин. дебелина: 21mmповърхност: с покритиепреработка: високовъглероднатегло: 5,8kgцентриращ диаметър: 55mmопаковачна широчина: 27,8см
TRISCAN 8120 50152C заменими

спирачен диск

страна на монтаж: предна освид на спирачния диск: вентилиранвисочина: 44,3mmвъншен диаметър: 258mmдебелина на спирачния диск: 23mmцентриращ диаметър: 55mm
TRUSTING DF1254 заменими

спирачен диск

страна на монтаж: предна осброй на дупките: 4вид на спирачния диск: вентилиранвисочина: 45,0mmвъншен диаметър: 258,0mmдебелина на спирачния диск: 23,0mmконтролен знак за преглед: ECE-R90центриращ диаметър: 55,0mm
TRUSTING DF1821 заменими

спирачен диск

година на производство до: 201412страна на монтаж: предна осброй на дупките: 4вид на спирачния диск: вентилиранвисочина: 41,0mmвъншен диаметър: 238,8mmдебелина на спирачния диск: 20,0mmконтролен знак за преглед: ECE-R90повърхност: боядисанцентриращ диаметър: 55,0mm
TRW DF4966 заменими

спирачен диск

страна на монтаж: предна осброй на дупките: 4вид на спирачния диск: вентилиранвисочина: 44mmвъншен диаметър: 258mmдебелина на спирачния диск: 23mmконтролен знак за преглед: E1 90R-02 C0176/0529Диаметър на кръговата стъпка Ø: 100mmмин. дебелина: 21mmмярка на резбата: 13,0повърхност: боядисанцвят: черенцентриращ диаметър: 55mm
VALEO 197799 заменими

спирачен диск

джанта: 4-дупкиброй на дупките за закрепване: 1вид на спирачния диск: вентилиранвисочина: 44mmвъншен диаметър: 258mmдебелина на спирачния диск: 23mmконтролен знак за преглед: ECE-R90мин. дебелина: 21mmстрана на монтаж: предна остегло: 12,28kgцентриращ диаметър: 55mm
VALEO 673206 заменими

спирачен диск

джанта: 4-дупкиброй на дупките за закрепване: 1вид на спирачния диск: вентилиранвисочина: 44mmвъншен диаметър: 258mmдебелина на спирачния диск: 23mmдоп. артикул/доп. инфо. 2: без интегриран колесен лагердоп. артикул/доп. инфо. 2: без сензорен пръстен за ABSконтролен знак за преглед: ECE-R90мин. дебелина: 21mmповърхност: с покритиепреработка: високовъглероднастрана на монтаж: предна остегло: 12,1kg
VALEO 673250 заменими

спирачен диск

година на производство до: 201411джанта: 4-дупкиброй на дупките за закрепване: 1вид на спирачния диск: вентилиранвисочина: 41mmвъншен диаметър: 239mmдебелина на спирачния диск: 20mmдоп. артикул/доп. инфо. 2: без интегриран колесен лагердоп. артикул/доп. инфо. 2: без сензорен пръстен за ABSконтролен знак за преглед: ECE-R90мин. дебелина: 18mmповърхност: с покритиепреработка: високовъглероднастрана на монтаж: предна остегло: 8,95kg
VARTEX GERMANY 42-178738 заменими

спирачен диск

страна на монтаж: предна осброй на дупките: 4вид на спирачния диск: вентилиранвисочина: 44,0mmвъншен диаметър: 258,00mmдебелина на спирачния диск: 23mmцентриращ диаметър: 55,0mm
WOKING D61266.10 заменими

спирачен диск

брой на дупките: 4вид на спирачния диск: вентилиранвисочина: 44mmвъншен диаметър: 258mmдебелина на спирачния диск: 23mmØ: 257,9mmмин. дебелина: 21mmстрана на монтаж: предна осцентриращ диаметър: 55mm
WOKING D61738.10 заменими

спирачен диск

брой на дупките: 4вид на спирачния диск: вентилиранвисочина: 41mmвъншен диаметър: 239mmдебелина на спирачния диск: 20mmØ: 238,8mmДиаметър на кръговата стъпка Ø: 100mmмин. дебелина: 18mmстрана на монтаж: предна остегло: 4,32kgцентриращ диаметър: 55mm
ZIMMERMANN 370.3081.20 заменими

спирачен диск

страна на монтаж: предна осджанта: 4-дупкиброй/разположение на дупките: 5/4вид на спирачния диск: с вътрешно вентилираневисочина: 44mmвъншен диаметър: 258mmдебелина на спирачния диск: 23mmконтролен знак за преглед: ECE R90 APPROVEDДиаметър на кръговата стъпка Ø: 100mmмин. дебелина: 21mmповърхност: с покритиетегло: 5,7kgцентриращ диаметър: 55mm

Няма намерени резултати!